ダチョウ抗体とは
ダチョウ抗体研究
私たちCROSSEEDは、“人を守る商品を大切に考える企業であり続けたい”との理念のもと、2003年の創業以来一貫して高機能・高品質なマスクの研究開発に精進してきました。
1968年京都生まれ。獣医師、獣医学博士。大阪府立大学農学部獣医学科卒業後、博士課程を修了し、同大学で家禽のウイルス感染症の研究に着手する。 2008年4月に京都府立大学大学院生命環境科学研究科の教授となり、2020年より同大学学長に就任。
ダチョウ抗体研究の第一人者として世界的に知られ、現在もダチョウ抗体を利用したがん予防や美容など様々な研究に取り組む。
塚本教授の研究成果は、文部科学省・科学技術振興機構の海外向けリポートで世界中に紹介され、大きな注目を集めました。
子どもの頃から鳥を飼うことが好きで、獣医になることを目指して入った大学では、ニワトリやアヒルなど家禽の病理学を研究していました。卒業後も臨床医にはならず、主にニワトリに関する様々な研究を忙しく続けていたのですが、博士課程を修了し、助教に就任したあたりでひと段落ついて時間に余裕ができたんですよね。
ダチョウが作り出す抗体は、ウイルスやバクテリア等の病原体などを不活性化する能力が非常に高いのが特徴です。また、大量生産が可能で熱にも強いことから、これまで困難とされていたマスクなど日常品への利用が可能であることも、研究の初期段階からわかっていました。そうしたなか2000年代半ばに、これまでのワクチンが全く効かない新型のインフルエンザが猛威をふるいはじめます。
インフルエンザウイルスに対するダチョウ抗体マスクの鉄壁の遮断力は、京都府立大学とインドネシア・ボゴール農業大学との協同テストなど数々の厳しい感染実験によって実証しています。 インドネシア・ボゴール農業大学との鳥インフルエンザの感染実験の様子
培養細胞内で増殖している新型コロナウイルスのスパイクタンパクにダチョウ抗体が結合すると緑色蛍光として可視化される(FITC標識ダチョウ抗体を用いた免疫蛍光抗体法)。
Wuhan株、アルファ株、ベータ株、デルタ株、オミクロン株(最近では派生株の「NB.1.8.1」(通常ニンバス))の産生細胞が緑色蛍光を呈したことより、ダチョウ抗体が全ての変異株に反応(抗原抗体反応)することが判明した。
「アデノウイルス」や「RSウイルス」もインフルエンザウイルスや新型コロナウイルスと同様に飛沫によって感染します。
特に小さなお子さんやご高齢の皆様にとって、このふたつの感染は絶えず注意しておく必要があります。
今年2025年に入り、中和抗体の有効性を確認できました。本当に反応性が高い抗体ができたと自負しています。
ダチョウ抗体マスク表面には、スギ花粉アレルゲン、ヒノキ花粉アレルゲン、ブタクサアレルゲンに対するダチョウ抗体が含まれています。
これらの花粉がマスクに付着した際、フィルター上で抗原抗体反応が起こることが判明。さらに、ダチョウ抗体と反応することにより花粉によるアレルギー反応が抑制されることも証明されました。
➀ダチョウ抗体マスク(花粉アレルゲン用ダチョウ抗体配合)の表面にスギ花粉を付着させた。黄色い粉体がスギ花粉である(左上写真:矢印) ➁スギ花粉付着直後にダチョウ抗体マスクを装着。(呼吸による水分により抗原抗体反応が加速されると考えられる) ➂10分後、マスクを4℃に冷却したリン酸緩衝液で洗浄し、直後に遠心分離により花粉のみを回収。蛍光顕微鏡により花粉を観察した。
ダチョウ抗体が結合していると緑蛍光が観察される。蛍光は花粉表面および内部にも検出されることから、結論的にダチョウ抗体マスク表面で抗原抗体反応によりダチョウ抗体がスギ花粉アレルゲン(cryji,cryj2)を覆う事が証明された。
重度の花粉症患者(ボランティア)のご協力によりスギ花粉アレルゲンのパッチ試験を実施した。
ダチョウ抗体は、国立研究開発法人・科学技術振興機構(JST)の緊急プロジェクト「新型コロナウイルス感染症への対応に向けたJSTプランB(JSTが持つ多様な技術シーズ等からCOVID-19対策として実用化できる技術について研究開発を行い、社会に還元する取り組み)」でも大きな期待を集めています。
わたしたちの商品 ダチョウ抗体とは
唯一無二の
ダチョウ抗体研究の世界的権威
塚本康浩教授に聞く
ACADEMIC EVIDENCE
そのようななか、時を同じくしてダチョウの秘めたる力を発見し、学会で注目を集め始めている研究者がいることを知り、コンタクトをとったその相手は、当時大阪府立大学大学院生命環境学研究科に属していた獣医師の塚本康浩准教授(現在は京都府立大学・学長)。私たちにとって、まさに運命的ともいえる出会いでした。
そんな塚本教授に、ダチョウ抗体についてのお話を詳しく聞いてきました。

プロフィール
京都府立大学 学長/塚本 康浩 教授




ダチョウ抗体の研究を始めたきっかけは?
ヒマができると人間いらんことを考えるもので、学生たちと「せっかく獣医学科やから、なんか面白い動物を飼いたいな」と話し合っていたときに、ある人からダチョウを飼っている牧場があると聞かされ訪ねてみることにしたんです。全く予期せぬ出会いでしたが、人生の転換期というのか、何か生活が大きく変わる予感みたいなものを、この時ひしひしと感じていました。
以来、ダチョウ牧場へ通う日々が続くのですが、知れば知るほど破格ともいえる生命力、とりわけ免疫力の強さに魅了されていきました。この強さを解明し、抗体生成能力を利用することができれば、ヒトや家畜の感染症対策に役立つに違いないと考えたのです。



ダチョウ抗体マスクの開発にいたる経緯は?
こうした迫りくる脅威から人々を守るには、一般消費者でも入手しやすいマスクにダチョウ抗体を担持させた日常品として製品化することが急務であると考え、その可能性をアピールするため全国を駆け巡りましたが、熱心に話を聞いてくれる人はいても実際にビジネスとして立ち上げるとなると二の足を踏むようで、具体的な連絡はどこからもありませんでした。
ところが2006年秋、研究室にようやく待ち望んだ電話がかかってきました。電話の相手は、福岡県飯塚市に本社のあるクロシードというマスクメーカーの社長。その口ぶりはとても控えめではありましたが、本気度は充分に伝わり、早速面会。すぐに共同開発に着手しました。
その後、2007年には文部科学省・科学技術振興機構(JST)の「独創的シーズ展開事業・大学発ベンチャー創出プロジェクト」により、産官学連携による研究開発体制を確立し、翌2008年、ついに「ダチョウ抗体マスク」として世に送り出すことができたのです。

ダチョウ抗体マスクの実力は?
また、今なお世界中で恐れられている新型コロナウイルスSARS-CoV-2についても、私の研究室では、SARS-CoV-2のウイルスの一部(spike protein)に結合するダチョウ抗体の大量作製に成功しました。Spike proteinはコロナウイルスがヒトに感染する時に不可欠な分子ですが、ダチョウ抗体が結合することによってその感染力は大きく抑制できます。研究室で2020年2月に実施したELISA試験により、私たちが開発したダチョウ抗体がSpike proteinに強く結合することを確認しました。
現在は、海外の関連機関と協同でSARS-CoV-2臨床株を用いた感染実験、つまり生きたウイルスの「感染抑制実験」を継続して行っており、さらに死滅化した SARS-CoV-2ウイルスをダチョウに免疫することで、さらなるダチョウ抗体のバージョンアップも行っていく計画です。



新型コロナウイルスSARS-CoV-2の変異株に対するダチョウ抗体の反応性
「ダチョウ抗体マスク」の感染抑制効果
京都府立大学・
インドネシア・ボゴール農業大学獣医学部
(協同テスト08年11月15日・09年7月2日)
京都府立大学・
インドネシア・ボゴール農業大学獣医学部
(協同テスト06年7月〜12月)
【NEW】アデノウイルス・RSウイルスのダチョウ抗体への追加に至る開発経緯は?
CROSSEEDにて、昨年2024年7月に実施したお客様への、処方追加に関するアンケートでも希望が多かったように、私の研究室にも「アデノウイルス」と「RSウイルス」への対応を熱望する声が直接届いていました。
例えばご高齢の方々からは「インフルエンザやコロナ予防も大切ですが、私たちにとってはRSウイルスも脅威なのです。早く対応したダチョウ抗体マスクを作ってください。孫や若者と気軽に遊びたいのです」との声。また、小さなお子様の保護者様や保育園の保母さんからは「アデノウイルスは子どもが集団で生活する保育園などで流行が広がりやすく、実際に家族や園で働く方々には絶えす気にしておくべき病原体です。少しでも感染リスクを減らし安心して活動したいので、何卒、ダチョウ抗体マスクの機能強化をしてください」などといった声をいただき、新処方の開発に着手しました。
【NEW】アデノウイルス・RSウイルスに対する抑制効果は?
バージョンアップしたダチョウ抗体マスクは「皆様からの声」から自然発生的に生まれてきたものなのです。私の研究チーム、クロシードのスタッフさん、そしてダチョウ達も頑張りました。自信作です。皆様のお役に立てることを嬉しく思います。
私の研究力は「現場で働く皆様の声」「生活の中からの御要望」が源となっています。ダチョウ抗体は私が考えてダチョウさんが作ってくれるものです。つまり、世の中の役に立てなければダチョウ抗体の量産化には意味がありません。多種多様な生活スタイルの中で、皆様からのリクエストがあれば、最大限の努力をするというのが真の研究者だと思っております。
新処方ダチョウ抗体フィルターによるアデノウイルス・RSウイルスの中和試験
京都府立大学 動物衛生学研究室
細胞変性効果(CPE)とは?
ウイルスが感染した細胞で起こる形態的な変化のこと。細胞の円形化や膨化、融合、崩壊など、ウイルスによって特徴的な変化がみられ、ウイルスが細胞中で増殖していることを知る重要なサインとなる。
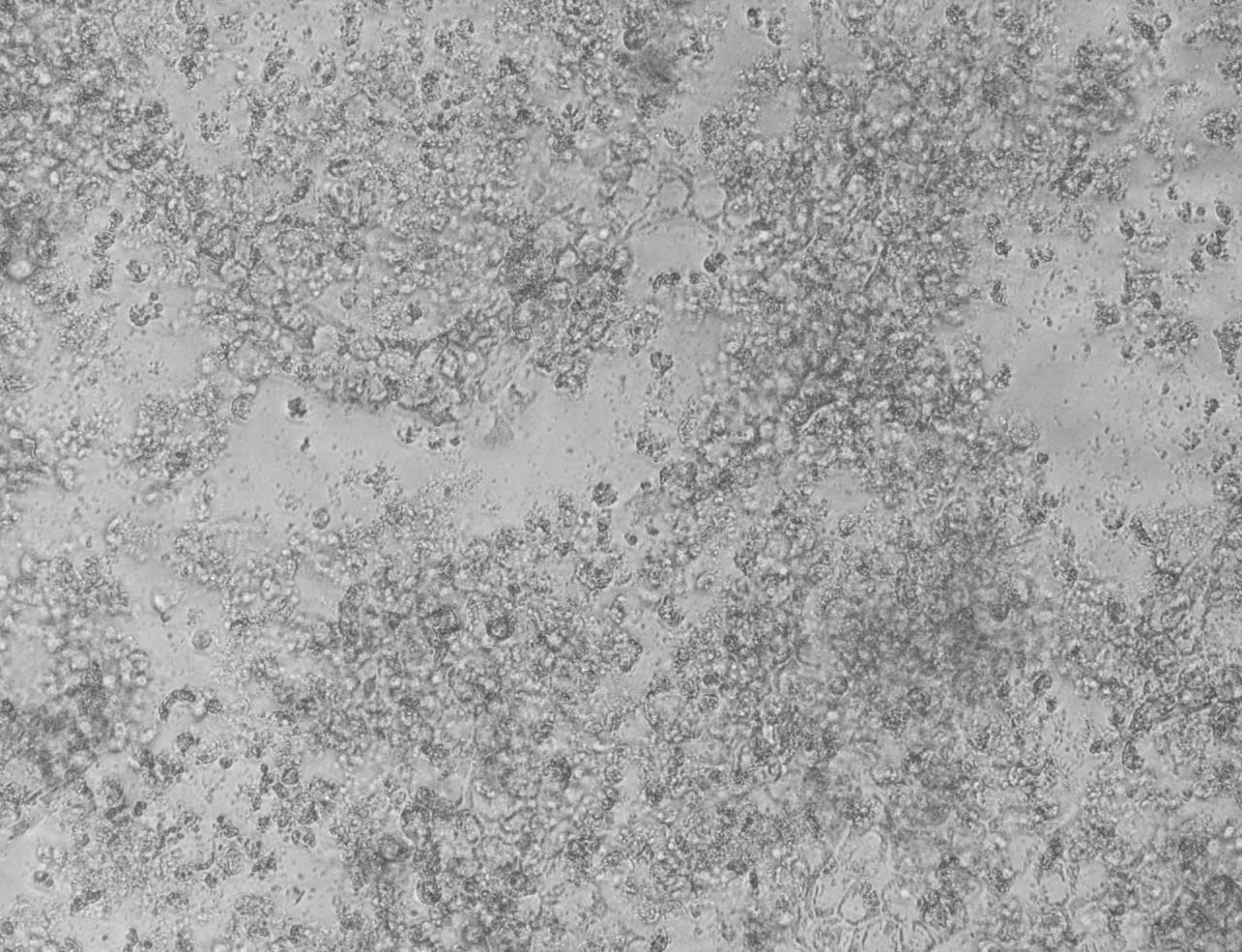
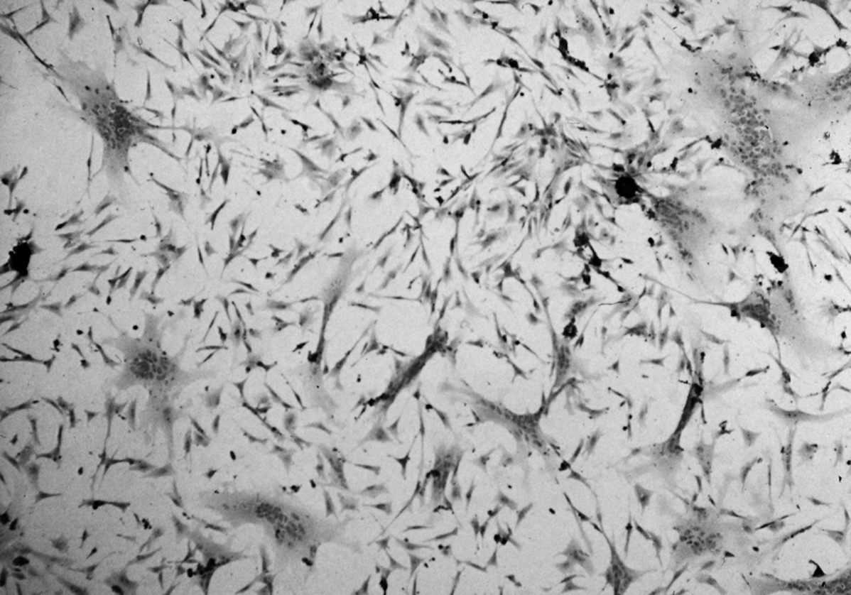
アデノウイルスの中和試験(A549細胞)
A549細胞の剥離や円形化など細胞変性効果(CPE)が多数認められた。
細胞変性効果(CPE)が認められなくなった。つまりアデノウイルス感染が中和された。
RSウイルスの中和試験(HEp-2細胞)
RSウイルスに特徴的な細胞変性効果(CPE)である合胞体が多数認められた。
細胞変性効果(CPE)が認められなくなった。つまりRSウイルス感染が中和された。
花粉アレルゲンに対する抑制効果は?
ダチョウ抗体マスク表面上での
花粉アレルゲンとダチョウ抗体の「抗原抗体反応」の実証試験
京都府立大学 動物衛生学研究室
ダチョウ抗体による花粉症患者のアレルギー反応抑制試験(パッチ試験)

ダチョウ抗体の将来の可能性は?
その一環として、マスクとして単にウイルスの侵入を防ぐというだけではなく、ダチョウ抗体を担持した口元フィルターの不織布に蛍光抗体を噴霧し、光を当てることで呼気からのSARS-CoV-2(新型コロナウイルス)の可視化が可能であることを見出し、すでに「ウイルスが光るマスク」という名で製品化にも成功しています。
また、現在すでにマスクのみならず空気清浄機や化粧品、アトピー用化粧品など様々な製品に活用されていますが、その可能性は増すばかりで、今も多くの企業や研究機関から問い合わせを受けています。製品の原材料として利用する以外にも、ワクチンに代わる予防接種として抗体を直接人体に注射する方法や、人類の宿敵である癌の治療への応用なども考えられています。

(法人向けサービス)

